Non-conductive Rebar for Safer Light Rail Services
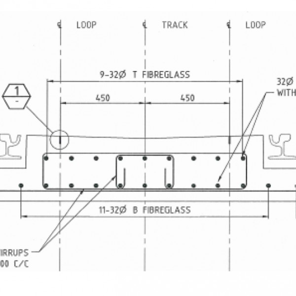
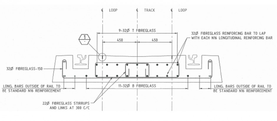
Detection loops are used by rail and tramway networks to monitor vehicles as they pass over them. They play a critical role in safety and train management to keep trains clear of each other at all times, and by detecting any other vehicles in their path.
Mateenbar™ is non-magnetic and non-conductive so it doesn’t interfere with sensitive timing equipment.
Advantages of Mateenbar™ in the Rail Projects
The environment where light rail operates is often a combination of cyclists, pedestrians, and other vehicles. Non-metallic areas are required to be designed into the rail network foundations at areas where detection loops are placed to ensure the detection systems operate correctly. Having the precise timing and position information available for the rail network is vital for public safety, smooth running of the timetable, and minimizing the risk of accidents.
The non-conductive properties and durability of Mateenbar™ have seen it utilized in a number of leading rail, metro, and light rail projects throughout the world.
Recent projects
- Canberra Light Rail Network, Australia
- Sydney Light Rail Network, Australia
- Gold Coast Light Rail, Australia
- Melbourne Metro Rail Project, Australia
- London Overground, United Kingdom
- Education City Light Rail Transit, Qatar




